苏州51龙凤茶楼论坛,老九品茶楼凤楼论坛官网,51龙凤茶楼论坛地址,51龙凤茶楼论坛成都

搜索
历史搜索
搜索发现
首页 > 产品中心 > I/O模块 > 开关量采集???/a>

一、产品特点

  • 供电电压:DC7-30V;
  • 16路隔离光耦输入;
  • 通信波特率:2400,4800,9600,19200,38400(默认9600,可以修改);
  • 通信协议:支持标准modbus RTU和modbus ASCII协议;
  • 可以设置0-255个设备地址,可以通过软件设置。

二、产品功能

  • 16路光耦隔离输入(5-24V),可以接无源触点和DC3.3-24V电压。

三、产品选型

型号

modbus

RS232

RS485

USB

WiFi

输出

输入

DAM1600DI-YD-RS232




0

16

DAM1600DI-YD-RS485




0

16

四、主要参数

参数

说明

数据接口

RS485、RS232

额定电压

DC 7-30V

电源指示

1路LED指示

输出指示

16路LED指示

温度范围

工业级,-40℃~85℃

尺寸

100*70*35mm

安装方式

35mm卡轨安装

默认通讯格式

9600,n,8,1

波特率

2400,4800,9600,19200,38400

软件支持

配套配置软件、控制软件;
支持各家组态软件;
支持Labviewd等

重量

100g

五、接口说明

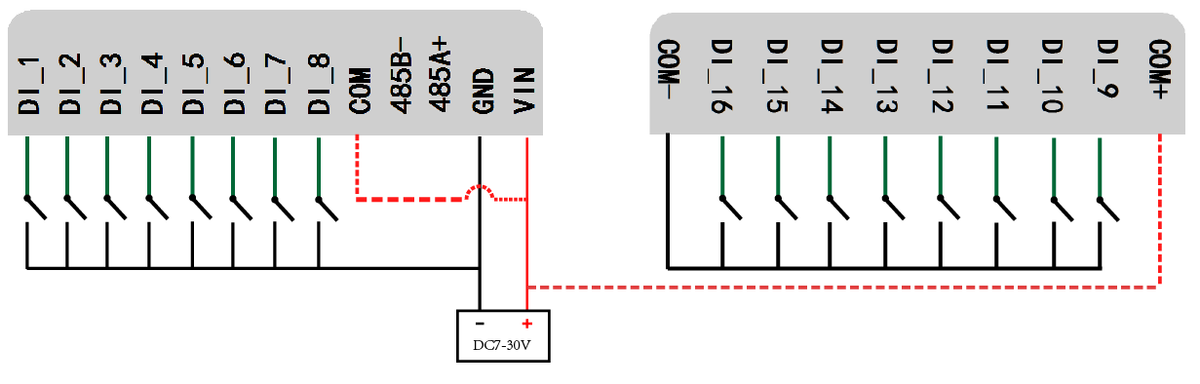
VIN为供电电源正极,GND为供电电源负极。

六、输入输出接线

1、 无源输入接线示意图

注:COM端与VIN,COM+和VIN可以在设备内连接,购买时需说明。

2、有源输入接线示意图

七、通讯接线说明

1、RS485级联接线方式

2、RS232接线连接方式

测试软件说明

1、软件界面

2、软件功能

  • 开关量状态查询
  • 调试信息查询
  • 偏移地址的设定

3、通讯测试

  1. 选择设备当前串口号,打开串口;
  2. 选择对应的产品型号;
  3. 设备地址修改为254,点击“读取地址”,软件底部提示“读取成功”,读到的设备地址为“0”,软件右下方的发送和指令正确,则说明设备与电脑通讯成功。

九、工作模式功能及设置

1、连接设备

打开“聚英翱翔DAM调试软件”;串口设定栏:串口选择您电脑对应COM口,波特率选择设备默认波特率(9600)(未自己设置过波特率前),设备地址填写“254”(254为设备的广播地址),设备型号选择相对应型号,设置好以上设备的4个参数后点击打开串口,点击继电器按钮“JD1”若继电器反应则连接成功。

2、设备地址的更改方法

2.1、设备地址的介绍

本设备是没有拨码开关的设备,所以设备地址 = 偏移地址。

2.2、设备地址的读取

点击软件上方“读取地址”

2.3、偏移地址的设定与读取

点击软件下方偏移地址后边的“读取”或“设置”来对设备的偏移地址进行读取或设置。

2.4、波特率的读取与设置

点击下方波特率设置栏的“读取”和“设置”就可以分别读取和设置波特率和地址,操作后需要重启设备和修改电脑串口设置。

十、开发资料说明

1、通讯协议说明

本产品支持标准modbus指令,有关详细的指令生成与解析方式,可根据本文中的寄存器表结合参考《MODBUS协议中文版》 即可。

Modbus协议中文版下载地址:http://www.467u.cn.cn/software/software/Modbus POLL软件及使用教程.rar

本产品支持modbus RTU 格式。

2、Modbus寄存器说明

本控制卡主要为线圈寄存器,主要支持以下指令码:2

指令码

含义

2

读光耦寄存器

线圈寄存器地址表:

寄存器名称


寄存器地址

说明

线圈控制

线圈1

写线圈

1号指令码

00001

第一路继电器输出

线圈2

00002

第二路继电器输出

线圈3

00003

第三路继电器输出

线圈4

00004

第四路继电器输出

线圈5

00005

第五路继电器输出

线圈6

00006

第六路继电器输出

线圈7

00007

第七路继电器输出

线圈8

00008

第八路继电器输出

离散量输入

输入1

开关量

2号指令

10001

第一路输入

输入2

10002

第二路输入

输入3

10003

第三路输入

输入4

10004

第四路输入

输入5

10005

第五路输入

输入6

10006

第六路输入

输入7

10007

第七路输入

输入8

10008

第八路输入

模拟量输入

输入1

模拟量

4号指令

30001

第一路输入

输入2

30002

第二路输入

输入3

30003

第三路输入

输入4

30004

第四路输入

输入5

30005

第五路输入

输入6

30006

第六路输入

输入7

30007

第七路输入

输入8

30008

第八路输入

配置参数

通信波特率

保持寄存器

41001

见下表波特率数值对应表,默认为0,支持0-5,该寄存器同时决定RS232和RS485的通信波特率

备用

41002

备用,用户不可写入任何值。

偏移地址

41003

设备地址=偏移地址+拨码开关地址

工作模式

41004

用户可以使用,存储用户数据

延迟时间

41005

用户可以使用,存储用户数据

备注:

①:Modbus设备指令支持下列Modbus地址:

00001至09999是离散输出(线圈)

10001至19999是离散输入(触点)

30001至39999是输入寄存器(通常是模拟量输入) 40001至49999是保持寄存器(通常存储设备配置信息)

采用5位码格式,第一个字符决定寄存器类型,其余4个字符代表地址。地址1从0开始,如00001对应0000。

②:波特率数值对应表

数值

波特率

0

38400

1

2400

2

4800

3

9600

4

19200

5

38400

③:继电器状态,通过30002地址可以查询,也可以通过00001---00002地址来查询,但控制只能使用00001---00002地址。

30002地址数据长度为16bit。最多可表示16个继电器。

对应结果如下:

Bit

15

14

13

12

11

10

9

8

7

6

5

4

3

2

1

0

继电器位置

8

7

6

5

4

3

2

1

16

15

14

13

12

11

10

9

即 寄存器30009数据 的bit8 与寄存器00001的数据一样。

同理:光耦输入也是如此。寄存器30003的bit8、bit9 与寄存器10001、10002都对应到指定的硬件上。

寄存器地址按照PLC命名规则,真实地址为去掉最高位,然后减一。

参考资料:http://hi.baidu.com/anyili001/item/573454e6539f60afc10d75c9

3、指令生成说明

应用举例及其说明:本机地址除了拨码开关地址之外,还有默认的254为广播地址。当总线上只有一个设备时,无需关心拨码开关地址,直接使用254地址即可,当总线上有多个设备时通过拨码开关选择为不同地址,发送控制指令时通过地址区别。

注意:RS485总线可以挂载多个设备。

指令可通过“聚英翱翔DAM系列配置软件”,的调试信息来获取。

4、指令详解

查询光耦

发送码:FE 02 00 00 00 10 6D C9

字段

含义

备注

FE

设备地址


02

02指令

查询离散量输入(光耦输入)状态指令

00 00

起始地址

要查询的第一个光耦的寄存器地址

00 10

查询数量

要查询的光耦状态数量

6D C9

CRC16


光耦返回信息:

返回码:FE 02 02 00 01 6C 6C

字段

含义

备注

FE

设备地址


02

02指令

返回指令:如果查询错误,返回0x82

02

字节数

返回状态信息的所有字节数。1+(n-1)/8

00

01

查询的状态

返回的继电器状态。

Bit0:第一个光耦输入状态

Bit1:第二个光耦输入状态

。。。。。。。

Bit15:第十六个光耦输入状态

6C 6C

CRC16




DAM1600DI-YD 工业级I/O??橄喙刈柿舷略?/div>
DAM1600DI-YD 工业级I/O模块说明书 DAM1600DI-YD 工业级I/O??樗得魇?i class="iconss down">
测试软件 DAM调试软件
JYDAM调试软件
应用软件 聚英组态软件
协议说明 协议说明
参考源码 参考源码
PLC例程 PLC例程
第三方组态例程 第三方组态例程
在线购买
批量采购/定制产品

销售专线: 010-82899827/1 4006688400 7x24小时销售服务热线

联系邮箱:juyingele@163.com

技术咨询

在线咨询: 点击咨询

联系邮箱:juyingele@163.com

暂时没有本产品的使用视频
联系销售
销售王经理微信 销售王经理
微信公众号 微信公众号
服务热线
400-6688-400