苏州51龙凤茶楼论坛,老九品茶楼凤楼论坛官网,51龙凤茶楼论坛地址,51龙凤茶楼论坛成都

搜索
历史搜索
搜索发现

景观灯用控制器的设计

2022-01-10 18:09:49| 来源:网络| | 0

        摘要:由单片机、电池管理及景观灯驱动??榈茸槌傻木肮鄣瓶刂破鳎テü刂聘鞴δ苣?槭迪侄孕畹绯睾途肮鄣频墓芾怼S杉觳獾ピ私夥缌吞裟馨宓脑诵凶刺?,管理蓄电池充放电、风机泄荷及其显示指示.地址拨盘设置节点地址.数传??榘汛娲⒑玫纳璞甘荽透智鹘诘憧刂破?,再由主节点控制器把数据传送的监控中。 城市面积的日益增大,各个景观照明亮化集中控制和管理也变的越来越困难,往往有不少城市的景观亮化或景区的亮化在平常时节不开启,只在周末或国家规定的节假日开启,这又造成了维护人员的困难加大。聚英电子公司研发的景观灯控制系统(景观照明集中控制系统),采用RTU6640融合了通信技术,智能控制技术,现场传感器检测技术,微电脑芯片技术,采用移动无线网络,由上位机管理软件、信号中继器、ADSL网络、移动通信网络、执行终端组成。

        引言

        当前城市景观灯的突出问题:耗费常规能源、 电缆布线费用和工程浩大。随着新能源开发利用技术、大功率LED等技术的发展,故采用太阳能和风能作为景观灯的电源,选用大功率直流LED灯泡作为景观灯的光源,以综合降低景观灯耗能。

        

        一、控制器的硬件结构

        1.1 控制器的框架结构

        景观灯节点控制器结构

        图1 景观灯节点控制器结构

        景观灯节点控制器结构如图1。单片机通过控制各功能??槭迪侄孕畹绯睾途肮鄣频墓芾怼<觳獾ピ私夥缌吞裟馨宓脑诵凶刺?,管理蓄电池的充放电、风机泄荷并由显示单元作出指示。地址拨盘设置节点地址。数传??榘汛娲⒑玫纳璞甘荽透媒智鹘诘憧刂破?,再由主节点控制器把数据传送的监控中心。

        1.2主要功能模块介绍

        1)单片机部分

        单片机是景观控制器的核心,采用CYGNAL公司的C8051F020,其运算速度快,内存储空间大,调试方便,具有工业级工作温度范围(一45~+85℃);片内集成多通道12位和8位A/D转换器,不必外加ADC芯片;片内集成的2个增强型UART串口和1个SPI串行总线可用于控制器单片机和其从器件间进行数据传输。

        2)电池管理???/p>

        蓄电池的充电方法很多,本控制器以具体蓄电池出厂充电特性曲线为依据,按照一定时间或阶段蓄电池的可接受充电电流,控制器分阶段调整实际的充电电流以近似拟合充电特性曲线,当电池电压达到控制点电压时,电池转为涓流充电。蓄电池管理??檠≡馤inear公司智能快速充电器LTC1325,

        采用单片机控制电池快速充电过程,如图2。

        

        图2 电池管理???/p>

        工作原理:C8051F020与LTC1325通过指令字和状态字进行指令和数据传输。其中控制字总长22位,包括控制LTC1325的全部信息,状态字表示测得的蓄电池的各种参数和充电器所处的状态,总长8位。指令通过串行接口送入LTC1325ADC对蓄电池的采集信号进行处理,产生10位读数和芯片状态字,送单片机式。在充电方式下,C805IF020根据返回的状态字实时了解蓄电池的电压、电流情况。然后选择适合蓄电池状态的充电率和充电电流,通过串行口发出指令给LTC1325使充电电流始终以近似拟合蓄电池的充电特性曲线,当电池电压达到控制点电压时,电池转为涓流充电。

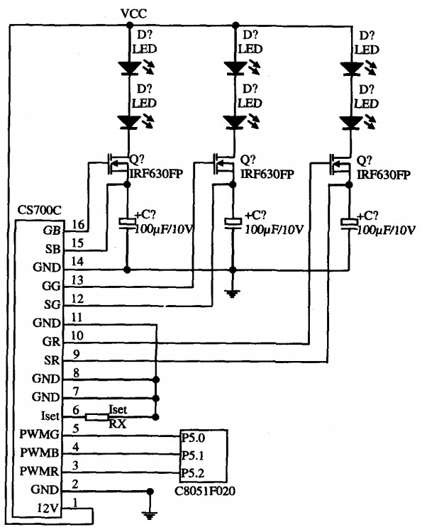
        3)景观灯驱动???/p>

        设计采用脉宽调制型恒流驱动的方法调控大功率串联LED的电流(图3)。在外界环境变化时, 脉冲驱动电流的峰值大小将发生变化,为使平均驱动电流保持恒定,改变每个脉冲周期内驱动电流的占空比使其在每个脉冲周期中的平均电流相等。

        CS700C/CS700I为三路高功率LED恒流驱动器,可驱动350mA型和700mA型的LED,其工作电流可外接的电阻设定,工作电流可无级调节。利用外接的场效应管直接驱动LED,可靠性高、散热设计方便。外部输入相应的PWM信号驱动器能控制LED工作,通过外接滤波电容可使最小纹波< 5OmV,有效保障LED的工作寿命。

        PWMR-红色PWM控制信号输入端,低电平有效,3.3V TTL;

        PWMB:蓝色PWM控制信号输入端,低电平有效,3.3V TTL;

        PWMG:绿色PWM控制信号输入端,低电平有效,3.3V TTL:

        选择CS700C/CS700I为三路高功率LED恒流驱动器目的是:能在外界环境变化,如电源电压发生跳变或照明LED光源参数有~定偏差的情况下, 为半导体照明LED提供恒定的平均驱动电流,以确保其亮度和色彩没有偏移;通过调整驱动电流的占空比可灵活的变换LED的色彩。

        

        图3 景观灯驱动模块

        二、软件部分

        软件系统采用功能??榛杓疲淙换嵘晕⒃黾尤砑氲某ざ?,但是这有利于软件的维护、管理和移植。

        

        三、结语

        采用新型能源和大功率直流LED灯泡设计的城市景观灯的风光互补型控制器,可降低景观灯的耗能,具有较高的经济实用价值。

        

联系销售
销售王经理微信 销售王经理
微信公众号 微信公众号
服务热线
400-6688-400