继电器的应用,相信大家都知道,在电路中只要给它供电、断电就可以工作了。
然而,它的应用细节,不知道大家有没注意 。下面谈谈我的观点
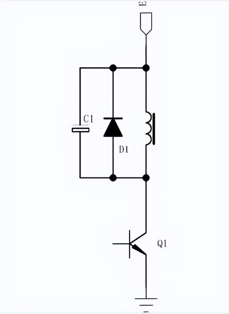
一、现在流行的接法,如图。

图中,继电器的线圈经过Q1作为开关,使其导通与断开。D1作为续流,消耗线圈中的能量。
二、继电器的特点;
1、吸合电流大于释放电流

2、保持电流小于吸合电流、大于释放电流。
以上两点均为继电器的“通病”,大家可以做一下实验,或看一看说明书。
三、流行电路的优点及缺点
大家知道,继电器的线圈相当于电感,它的电流不能突变。在释放时,Q1截止瞬间,线圈将仍保持原来的电流大小,如果不接入D1这个二极管,产生的电压-----理论上是无穷大的(在外电路负载为无穷大时),流行电路中的D1的接入,给线圈中的能量提供了释放的通道。
然而,假如(理论上)二极管为理想的,即它只单向导通而没有任何功率消耗,那么,在继电器释放时,线圈中的电流将一直保持吸合时的最大电流(同时假如线圈为理想的),这种情况将使继电器无法释放。
实际中的二极管及线圈都不是理想的,所以,它是可以释放的。继电器的吸合到释放是由线圈中的电流决定的,如果二极管及线圈的等效电阻(直流)很小,那么它的释放时间将很长,反之,则较短。
由此看,流行电路的优点是提供了Q1截止时的能量释放通道;其缺点是,释放时间还有进一步缩短的可能。
四、其它接法。
曾见过象下图中电路,也曾见过象下图中没有二极管的接法,这些接法都考虑到了抑制开关Q1截止时的反向电压,但没有考虑到释放时间问题。

五、建议接法。
1、加入电阻R1,使能量释放快一些。

上图中,线圈在Q1关断时,能量主要消耗在R1上,使继电器可以快速降到释放电流。
R1的选择,由Q1的最高反压、线圈工作电流两者决定,电阻越大,释放时间越短。---- 计算就不多说了吧。
2、减小继电器保持时间的功耗。
大家知道,继电器吸合时需要较大的电流,而保持吸合状态则不需要和吸合时的电流一样。
下图接入R1及C1将明显减小继电器的保持功耗。在继电器吸合前,C1已充电至供电电压,吸合的瞬间将由C1为
继电器供电,以保障吸合所需的大电流。当吸合后,供给线圈的电流来自R1,它将电流限制到较小状态。

继电器日常使用的四个注意事项
1、运输和安装
继电器是一种精密机械,因此对滥用运输方式非常敏感,在制造过程中已采用了许多方法使继电器在运输过程中得到最好的?;?,因此在进厂检验以及用户以后的使用安装中,不要破坏继电器的初始性能,此外还应注意以下几点:为防止引出端表面污染,不应直接接触引出端,否则,可能导致可焊性下降。引出端的位置应与印刷板的孔位吻合,任何配合不当都可能造成继电器产生危险的应力,损害其性能和可靠性,请参照样本中的打孔图打孔。应注意监测存储温度,尽量避免继电器存储时间过长(建议不超过三个月)。继电器应在洁净的环境中存储和安装。
2、涂焊剂
非塑封继电器极易受焊剂的污染,建议使用抗焊剂式或塑封式继电器以防止焊剂气体从引出端和底座与外壳的间隙侵入,此类继电器适合用多泡涂焊剂或喷涂焊剂工艺??购讣潦郊痰缙魅绮捎迷と群娓稍蚩山徊椒乐购讣燎秩?。
3、焊接工艺
当使用涂焊剂或自动焊接时,应小心,不要破坏继电器性能,抗焊剂式继电器或塑封式继电器可适用于浸焊或波峰焊工艺,但最大焊接温度和时间应随所选继电器的不同加以控制。
4、清洗工艺
应避免对非塑封继电器进行整体清洗,塑封式继电器的清洗应采用适当的清洗剂,建议使用氟里昂或酒精;应尽量避免使用超声波清洗,这是因为超声频率的谐波会使触点产生磨擦焊(冷焊)并可能使触点卡死。在清洗和干燥后,应立即进行通风处理,使继电器降至室温。